上海滬工閥門廠(集團)有限公司
摘要:介紹了聲發射原理,并在此基礎上采用相應的電子器件,檢測閥門泄露情況。
關鍵詞:聲發射檢驗;閥門;密封
閥門是各行各業應用非常廣泛的設備之一。以火力發電廠為例,一臺機組的閥門數量有幾百個。而閥門及管道的泄漏往往是重大事故的隱患,故為保證機組正常運行,侮次大修都要把有關閥門拆開檢修。由于缺乏針對性,造成勞動強度增加,人員、物資及時間的浪費,而且無法保證檢修質量。利用聲發射技術設計的診斷儀可有效的檢測閥門內漏和閥門的密封性能。
一、聲發射檢測的原理
非均質材料在承受載荷應力的情況下,應力場和材料都會逐點變化。所以,在材料作為一個整體變成非穩態之前,會顯現出局部的非穩態,這種非穩定性會導致局部的動態位移。被擾動的區域會引起振蕩并伴隨著聲發射,這種振蕩在介質中向外傳播。同樣,諸如撞擊、湍流、泄漏和噴注等過程在構件中也將誘發這種振蕩。它的特點是聲發射的激發并不伴隨著構件材料性能的永久性變化,構件只起到導波的作用.從分析得知,聲發射是以聲脈沖形勢釋放能量的過程。因此,用適當的換能器在試件的表面就可檢測到它們。
聲發射釋放的能量
	
式中:ω—傳感器的諧振頻率
Vt—幅度
Nt—幅度為 Vt 的脈沖數
因為實際泄漏信號是連續性信號,具有較寬的頻帶,波幅沒有很大的起伏變化,在一定的,頻帶內可近似認為 Vt 恒定,這樣可以用傳感器輸出中超出給定閥值的脈沖數也稱“振鈴計數” Nt 來反映能量的大小。
	
式中:a—衰減系數
Vo—放大器設定的閥值電瓶
從式(l)、(2)中可見,如果選取適當的頻率作為泄漏的中心頻率,采用適當的濾波措施,消除背景噪聲的干擾,可根據振鈴數或者用單位時間內的振鈴計數(聲發射率 AErate)的大小來判斷泄漏的程度。
二、檢測硬件
利用聲發射換能器,使其與閥門緊密接觸,將聲信號轉換成電信號,經過放大、濾波、比較和頻壓轉換,最后輸出顯示(圖 1)。
	
	圖 1 檢測原理
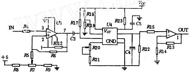
因為換能器接收的是聲級較低的聲發射信號,故轉變成電壓信號時輸出也比較小。如果選擇 0…20mV 的三位半數字電壓表頭作為輸出,表上的一個數字等效于 10μV,這就要求放大器的失調電壓和全溫度范圍內溫漂以及時漂要小于 l0μV,否則就無法測量。因此可選擇高精度、低溫漂的運算放大器 ICL7650 作第一級放大。放大后的信號進入帶通濾波器中,帶通濾波的中心頻率決定于換能器的諧振頻率和現場的噪聲頻率。經帶通濾波去掉現場的噪聲干擾信號,再利用比較器 LF31l 設置閥值電壓,當信號幅度超過閥值 Vo 時,比較器有輸出,輸出送入 f/v 變換器中進行頻壓轉換,數字顯示。并可通過調節閥值電壓調整靈敏度(圖 2)。
	
	圖 2 部分電路原理
三、結語
利用生發射原理研制的檢測儀,通過電廠的大量應用實踐表明,它可有效的區別閥門的漏與不漏或者微漏,為現場檢查提供了依據和手段。